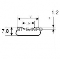
Керамические подкладки для сварки
Керамические подкладки для сварки относятся к числу недорогих и эффективных расходных материалов, обеспечивающих высокое качество проварки металла, точное выполнение швов нестандартной формы (например, V-, X-, T-образных стыков), а также проведения работ в сложных и труднодоступных зонах.
Благодаря обширному ряду возможностей и преимуществ, которые дает использование пластин из керамики, в Санкт-Петербурге такие расходные материалы желают купить пользователи различных категорий. В частности, их задействуют при сварке:
- MIG/MAG;
- SAW;
- GMAW;
- FCAW (возможно выполнение работ с порошковыми, металлопорошковыми присадочными материалами) ;
- TIG.
Цена на пластины из керамики невысока, при этом в нашем каталоге они представлены широкой группой изделий различной формы. Чтобы подобрать оптимальную модель для изготовления нестандартного соединения, обратитесь за консультацией к опытным специалистам компании «Сварочные технологии».
